2009-01-19[n年前へ]
■続々:Simulinkで経済循環モデルを作ってみる 
「Simulinkで経済循環モデルを作ってみる」「続:Simulinkで経済循環モデルを作ってみる」というように、教科書を読みながらマクロ経済学のイロハを学ぼうとしています。
というわけで、まずは「スティグリッツ入門経済学 <第3版><第3版>」を読み、これが文庫本だったら持ち歩くのに・・・と思ったり、「早わかり経済学入門―経済学のイロハから最新理論まで、一気にわかる。」を読み、変な例えでの説明が出てこないせいか、個別の項目に関してはとてもわかりやすいなぁ、と感じたりしました。
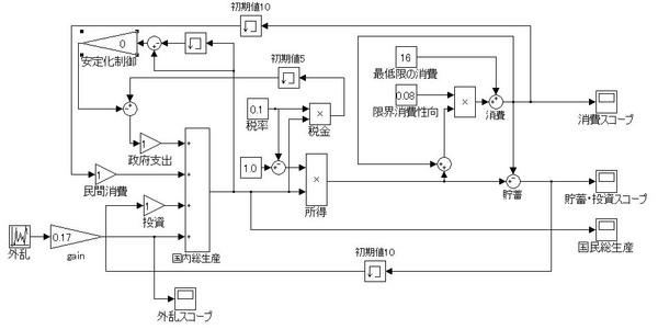
とはいえ、まだまだ自分できちんと教科書に書いてある経済循環モデルを「教科書通りに動く」ようににすることができません。数え切れないくらい色々な点について勘違いしている感じです。今日はとりあえず、下の図のようなモデルを作ってみたのですが、やはり自分で眺めてみても教科書とは違う変な感じになってしまいました。・・・自習で学ぼうとすると、実に難しいものですね。
2009-01-21[n年前へ]
■コロンビアは麻薬用作物からの所得をGDPに算入している 
「スティグリッツ入門経済学 <第3版>」を読んで、意外かつ納得したのが、こんな一節だ。
不法な経済活動はGDPに算出されない。(中略)しかし不法な経済活動が主要な所得源泉となっている国についてはそうではないだろう。この場合には、そうした所得をGDPの一部として計算しないとなると、その経済を誤って理解することになるかもしれない。「アメリカの高校生が学ぶ経済学 原理から実践へ」がとてもわかりやすかったのと同じように、この本も実に「全体を通した流れ」を納得しやすい。ぜひ、いつでも持ち歩くことができるような文庫本で出して欲しい。
(中略)
コロンビア政府は、不法な麻薬作物から得られた所得をGDPに算入するように計算方法を変えた。GDPの計算において麻薬用作物を合法的な作物と同じように取り扱うと、コロンビアのGDPは1%程度増加することになる。
■Powered
by yagm.net


